Atende a

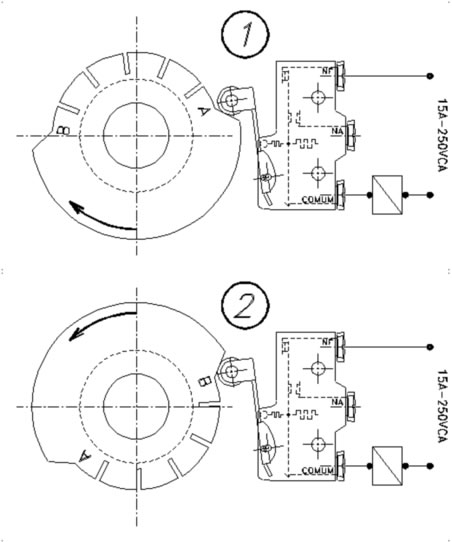
Contato "NA"

Detalhes

Curso Angular máximo do came: "A-B":340 graus

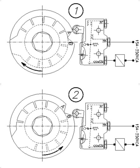
Contato "NF"

Detalhes

Curso Angular máximo do came: "A-B":56 graus